BESKRIVELSE
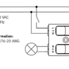
Dimmeren er en høykvalitets bakkant/fasedimmer for dimbare motstandsdyktige og kapasitive høyspenningsbelastninger. Ikke bruk LED-dimmeren for lysrør, vifter eller ringkjernetransformatorer. Den styrer individuelle enheter i Bluetooth Low Energy Mesh-nettverk uten bruk av porter, rutere eller ekstra kabling. Dimmeren kan brukes i maksimalt 0,65 A nettstrøm inkl. reaktiv strøm. Konfigurasjonen skjer trådløst via Casambi appen.
Installasjonen kan kun utføres av en sertifisert elektriker.
-3% nettrabatt 







